CH実験

20160131〜


目次

動機付けやら思惑やら・・・
掴み測定
詳細測定 20160204〜
番外篇・TN-351 20160206〜
忘れモノ実験
***
***


はじめに

チョーク・コイル、チョーク・トランス、パワー・インダクタ・・・呼び名はイロイロですが、鉄心にひとつの巻線(二つのもあったな)だけの奴です。整流電源の平滑用途が多いけど、たま〜に音声回路の「負荷」にも使われて、なんだかアリガタそうな効能が伝えられ、でも一部の方しか服用されてないワケ解らんサプリみたいな電気部品。その効用・副作用を調べてみたのですが、測定意図が偏ったので、やっぱり解らん。


動機付けやら思惑やら・・・

ここで調べたのは、もっぱら「カソード負荷」に使う想定です。とはいえ、信号源インピーダンスと、受けのインピーダンスを何パターンかの組み合わせも見たいので「プレート負荷」近似の条件までやりましょう。

測定サンプル1

タマタマですが、LUX・4BC30(30H・50mA。)を入手したので、これまで集めてきたタンゴ・TC-30-50や、同TC-60-35Wと比較できるかと思い立ったのです。いずれはNOGUCHIやKASUGAの「カソードCH」対応品も加えて調べたい。

測定回路1 測定回路です。正しくは直流重畳して調べるべきでしょうが、DC=0mAでもインダクタンスの「急増」は少なかろう・・・と一人決め。

測定回路2 タムラ・TN-351はヨソゴトの実験に時たま引っ張り出す重宝なインプット・トランス。最終使用先は決まってるが、随分先の話なので流用が甚だしい。

まずは1次巻線のみ使い、2次は開放状態で未使用。単なるインダクタとして調べます。
なお、変則「1:4」レシオのテストは昔やりました。

ネタばらしすれば、TC-30-50は2T81シングルに。TC-60-35Wは***に。新規入手の4BC30はVT-4Cシングルに、それぞれカソードCHドライブで使う予定です。「大外れではない」くらいは見届けたい意図もあります。

このページのトップへ


掴み測定

まずは信号源インピーダンスZs≒1kΩ、受けは470kΩです。実際にはLMV-181Aの10MΩ(入力容量知らズ)やら、DS-5102Bとプローブの10MΩ/22pFが加わります。

TC-30-50

TC-60-35W

4BC30

イキナリ三種並べましたが、公称インダクタンスに「合ってる」のやら、そ〜とも言えんような低域特性。意外に伸びてた高域は似た按配で、若干見える上記の差が、今後試す異なる条件でどう変わるのか興味深いのですが、あまり変わってほしくないのが本音。

TN-351の1次巻線だけをCH代わりに使用しますと・・・。

TN-351

電源CHの三種とは異なるカーブ。電源CHではなく、音声回路用のマッチングトランスなのですから。とはいえ高域特性は・・・なにコレ?。妙な凹あるし、220kHz・−3db落ちは電源CHより劣る。片線接地の不平衡用途に向かんのかも。でわ?・・・平衡送り・平衡受けを調べにゃ実力が解らんのでしょうかねえ。先送り事項ですが。

低域はよく伸びている・・・ようにも見えるグラフですが、CH三種では気付かなかった波形歪みが出ました。

1Hz・4Vrms 2Hz・4Vrms 4Hz・4Vrms 8Hz・4Vrms

左から、1Hz・2Hz・4Hz・8Hz、測定振幅4Vrmsです。使いモンになるレベルは、どうやら5Hz以上かと。低レベルでは緩和されるが、定格レベルの2Wでは、1次141Vrms・・・。いったい何10Hzまで下限が上昇するか怖い。本テーマでは番外ですから、カソードCH用途に使う気は無く(DC重畳が考慮されていないと聞く)単なる比較サンプルでしたが、使用予定の妄想ネタに暗雲が漂う。

信号源のFG-274は、OFFSET電圧の重畳なし・・・と思ってる「CAL」ポジションでの測定ですが、敢えてADJしてDCを乗せて見ますと、オシロ画面上の波形移動に伴って歪み方が悪化するさまが見えます。試した重畳電流値・波形などの記録はしておりませんが、如何にも禁忌だと実感します。

あらためて、CH三種の中で最も低域が貧弱なTC-30-50の同一条件下での波形を調べ直しました。同じく左から、1Hz・2Hz・4Hz・8Hz。

1Hz・4Vrms 2Hz・4Vrms 4Hz・4Vrms 8Hz・4Vrms

レスポンスの低下はあるものの、波形歪みは見えづらい程度に治まってます。DC重畳が必須の部品ですから、空隙付きのバット・ジョイントコアでしょう。シングルOPTにも共通する事象かと考えます。

\(・_\)ソノハナシハ (/_・)/コッチニオイトイテ

“掴み”のZs=1kΩは、6SN7・12AU7・12BH7A・6FQ7などの「古め」三極増幅管片側のカソードフォロワで得られそうな出力インピーダンス相当と考えます。ありていなIb=3〜5mAならGm≒1mSほどかと。10mS以上が期待できる高Gm管を想定するなら、Zs<100Ωですな。

なお、rp=1kΩの三極出力管によるプレートCH負荷相当と見て良いかもしれません。実現できそうな管種を想像すると・・・いや、ここでは考えません。

受けの470kΩは・・・根拠なし。10MΩなどの「開放」相当も調べる必要性はあるかも知れんし、2T81のバイアス電圧/グリッド電流≒18kΩ?などを考慮すべきなのか・・・。出力管側の都合が不明なのです。

このページのトップへ


詳細測定

20160204〜

余計なパラメータで測定項目ばかり増やすのはダサいかもしれませんが、掴みで得た広帯域で素直な減衰特性が「乱れる」条件が見つかったら、実機では避けなければなりません。対処法が、ここで見つかる確証はありませんが「組んぢゃってから」遭遇すると困る。

TC-30-50・低Zs 200k〜400kHz間のプロット数過多により・・・

TC-30-50を各種Zsで試しました。正確にはFG...のZo=50Ωを足して表記すべきところを、サボってます。低Zsで両帯域端は更に伸びますから、高Gm管カソードフォロワへの誘惑に駆られます。先に掲げた6SN7他の「古め」球の2Unitパラでしたら、全Ib>10mAでZs=470Ωを達成できそう・・・などとも妄想してます。

TC-30-50・高Zs 200k〜400kHz間のプロット数過多を、マーカー無しで取り繕います。

次は高Zs測定。カソードCHよりプレートCH相当の条件かと。自身の芸風では無いのでやりませんが、6F6や6V6の三結が2.2kΩカーブに近そう。10kΩは先に掲げた「古め」球片Unitではこんな按配になるかと想像できます。30Hではラフ計算でも50Hz・−3db程のレスポンスですから、インダクタンス不足。なお、TC-30...の巻線抵抗値は公称485Ωと書いてあるので、1Hz以下ではZsとの分圧比レベルに収束しそうな傾向が、カーブから見えかけてます。

10Hz以下で歪みが目立つかな?と危惧してましたが、レスポンスの低下はともかく意外にもマトモ。TN-351で見たような「ゲッソリとやつれた」波形に到りません。もっと高レベルも調べたいが、後回し。

170k〜200kHzのプチ凸凹が目立つ。ループ帰還の障害になるかもしれません。

TC-30-50・RL違い

受けのインピーダンス違いを調べました。Zs=1kΩでは違いは見えづらく、RL=10kΩ時の全帯域に至る「分圧比≒0.91」分の差が出たくらいでした。なお「Open」とはいうものの前述のように測定器が2種並列されてます。LMV...側のバラ線を外すと1MHz時が−3.38db → −2.76dbに上昇する程度。思いつきのお試しで、LMV...ナシの状態に22pFを足したら、偶然?にも−3.41db落ちに戻ったのです。

TC-30-50・容量負荷

小容量を負荷しました。2T81の受け容量がこんなに大きいとは思えないので、余計な測定かも知れませんな。それより実際の送り手は、ナニガシかのカソードフォロワなので予期せぬ“発振”を危惧します。この測定では解りません。

なお「Open」と書きましたが、exp1で併記したLMV...は外しまして、10:1のプローブ(10MΩ/22pF)のデジタルオシロだけで受けてます。

Zs≒1kΩと付加した容量+CHの分布容量で構成される、1次LPFと解釈しました。得られた数値から逆算?しますと・・・TC-30...では100pFくらいかな?。

測定回路3 2T81シングルで予定しているカソード・フォロワ管は、6BM8(P)の三結です。具体的な動作条件は詰めておりませんが、Eb≒200V・Ib≒20mAを考えるとEc1≒20V程かと。TC-30...の巻線抵抗分だけではグリッドを接地するわけに参りませんし、出力管に分流する10mAほどのグリッド電流や、暫定的バイアス電圧≒+18Vに対しても折り合を付ける必要があります。

最終的には2T81シングルの実機で按配探りをしますが、CHに直列抵抗の挿入で対処します。ここではF特に影響が現れるか否かを把握したいと考えました。

TC-30-50・バイアスADJ

影響はありますが、こりゃあ・・・CHのインピーダンスにADJ抵抗値が加算された按配が出たと、言わずもがなの結果でした。CHの直流抵抗の低さを「劣化させる印象」なのですが、この測定ではその弊害は解りません。F特の点ではあってもカマワン気がします。

カソードCHを選ぶ理由付けの一つには「マイナス電源不要」の簡略さにあると独り決めしてます。したがって、カソホロ段や出力段のバイアス電圧生成も「簡便」にしたいのです。ただし、両者の動作点を個別にADJしづらい手法と思いますので、カソホロ側に窮屈な選択をしてしまいそう。

測定回路4 m(_ _)m 詳細測定データの途中から「0db=4Vrms」の条件併記を失念しておりました。ただし、次に掲げるグラフは各レベル、1kHz時を0dbに置きます。なんだか変。

更に高レベルの測定もしたいのですが、手元の設備では445冶具のMAX≒24Vrmsが上限です。これとて1kΩ近辺の「重め負荷」に耐えるかどうか試しておりませんが、試してみましょ。

←あらためて書くほどの測定回路では・・・と思いつつ。

TC-30-50・高レベル

exp3で追加したバイアスADJ抵抗=2.2kΩを残留させたのは、冶具の負担を緩和したいが為。測定最大振幅は20Vrmsに留めましたが、100kHz手前で、早々と冶具側が危ないのです。尻切れデータをご容赦ください。しかし結果は・・・差異が見えぬ意味希薄測定。

TC-30-50・18Vrms1Hz 2.2kΩの存在がCHの低域歪みを覆い隠してると考え、短絡して調べた波形がコレ。

さすがに冶具の負担は重く、19Vrms手前で送り波形そのものが歪みます。18Vrms・1Hzのハンパ条件ですが、CH由来のゆがみが見えかけてる程度なので可としますよ。

TC-30-50の「1Hz時」のインピーダンスは、大半が直流抵抗値485Ωが占めてると思います。複素数の計算に慣れぬので、これ以上はボカシます。

・・・え〜と・・・

意味ありげで無いかも知れぬ偏ったデータを得てきました。他のCHも同様の項目を測定する気ではぢめたんですが、なんだか目ぼしい違いが見えない雰囲気なので情熱を失いかけてます。はっきり言えば打ち止め。

このページのトップへ


番外篇・TN-351

20160206〜

薮蛇だったとも言える事態で、知らなきゃそのまんま使ってただろうTN-351の「実力」を調べる実験です。

いきなり余談ですが、先立って試したexp4接続では「S」文字が書いてあるC端子を巻き始めマークと解釈しました。これは誤りなのか“無意味”なのか解りませんが、@を接地しても52kHz近辺の凹に変化は見られません。製品付属の資料にも、「トランスのタムラ '80カタログ」にも、TN-351の巻線位相を示す図・説明はありませんから、「考えるな」って事なのでしょう。

測定回路5 掴み測定では無思慮に開放無接続のままだった2次巻線を、左図のように整えました。調べたのは1次側の電圧レスポンスでして、2次に繋いだLMV...は、紛らわしいッスね。

実は2次側端子に触るだけで、1次巻線電圧の高域特性がコロコロ変わります。ゴチャゴチャ考えずに、規格数値に近い47kΩ終端を基準と決めました。

40kHz〜70kHzを細かく調べすぎたかもしれません。↓いささか不自然な感じ。

TN-351・2次側の始末で

権威ある?タムラさんの設計意図から逸れた使用で、あ〜だこ〜だ申し上げるのは各方面への影響を忖度して自粛。

・・・・・・・・・。

TN-351・高レベル1次巻線特性 445冶具で入力した高レベル(20Vrmsまでですが)入力時の低域F特です。

測定周波数が下がると、レスポンス低下に伴い1次巻線波形が歪む様は4Vrmsと同じだが、高レベルでは冶具出力波形も怪しくなります。

そして・・・測定電圧も維持できなくなり、尻切れ。

4Hz・4Vrms・2次開放無接続再掲 4Hz・4Vrms・2次直列G接地47kΩ負荷 8Hz・10Vrms・2次直列G接地47kΩ負荷 16Hz・20Vrms・2次直列G接地47kΩ負荷

左から、2次ほったらかしの4Hz・4Vrms入力時波形の再掲。続けて、2次直列G接地47kΩ負荷の同じく4Hz・4Vrms。振幅は減るが歪みは軽減したのです。3枚目は2次同前の8Hz・10Vrms。最後は同じく16Hz・20Vrms。なんとなくレベル倍増で、似た歪みを許容できる周波数も倍増の感じ。磁気電気現象の法則性なのでしょうか。

1kHz・20Vrms入力時、2次47kΩ負荷には31Vrmsほど出ます。このデンで想像すれば、1次40Vrms時に2次60Vrms出るが、“あの歪み方”をする下限は32Hzかな?。おっと、これ以上の論評は慎まねば。

このページのトップへ

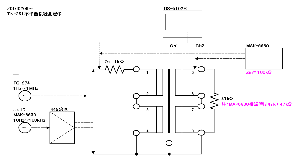
番外TN-351不平衡接続測定回路.1 未開示妄想ネタのネタばらしですが、シングルアンプのドライブなのでコチラが本命。

F特測定時の信号源はFG...変わらず、47kΩ負荷の電圧を見てます。200pFくらいある接続線のオーディオアナライザは繋ぎません。歪み率測定ではMAK-6630(445冶具でブースト)に置き換えますが、外付け負荷は47k+47kΩに変更。あ〜メンド臭い。

0db=4Vrmsの1次信号源電圧基準↓で描いたので・・・変?。

番外TN351不平衡接続2次F特

昔診た特性に似てると思います。同じ個体(もう1個は未開封)ですが、測定条件や機材・環境が変わってこの結果なら納得。しかし広帯域とは言えぬ。高域の凸凹は気になるが、何とか出来そう。しかし余計な事せん方がイイかもと迷いも・・・。

中域では2次に7Vrms出てますが、お相手の出力段は感度鈍い(たぶん−20dbくらい)ので、60mW出力か。妄想最大出力では・・・TN-351自体の低域歪みで、40Hz位がマトモな下限かも。・・・おおっと書きすぎた。

・・・発言自粛・・・

445冶具使用では低レベルでのNois成分が、TN...単体の歪みを解りにくくします。ここでは高レベル限定の妥協ついでに、2次出力電圧固定の周波数対歪み率特性を調べました。

番外TN351不平衡接続40Vrms歪み 番外TN351不平衡接続20Vrms歪み 冶具出力には、緩衝用(と思ってる)100Ωの直列抵抗を内蔵していますから、多分トランス1次巻線の励磁電流そのものが歪んでいると思われ、ここで既に無視しづらい歪みが発生しております。Zs相当の1kΩ前後の歪み率数値を併記しました。

もっぱら低域歪みを調べたい意図なので、80kHz・LPF入りの数値です。言い訳ですが、慣れぬ作業なので矛盾を孕んでるかも。図は小さめにして・・・10kHz以上も調べたけど隠蔽しました。

2次40Vrmsでは、16Hz以下の冶具出力が得られないのです。ソレも含めて、冶具の性能が良けりゃ幾分は優れた数値が得られただろう、と思うのは、著名なタムラへの期待が過ぎますかな?。

さて、これが充分な性能と言えるのか、なんとか使えるレベルなのか、はたまた箸にも棒にも・・・なのか、判断する知見(他の類似・比較サンプルなど)を知りません。主観ですが大丈夫、と思うしかない。

2番外TN-351不平衡接続測定回路.2 オーディオアナライザ・MAK-6630のOSC出力を、直接TN...1次に注入する乱暴な測定です。OSC部の出力インピーダンスは600Ω(と書いてある)なので、Zs=470Ωに変更しました。

番外TN-351不平衡接続10Hz歪み率 番外TN-351不平衡接続20Hz歪み率 番外TN-351不平衡接続40Hz歪み率

低域に偏った3種歪み率で、30kHz・LPF入り。OSCの無負荷出力は充分低歪みなのですが、試料に繋ぐと相当な悪化が見られます。これではもう・・・TN...単体の性能とは言いがたいと解っていても、贔屓目に見て実際はコレ以下なのだろうなあと。

OSC出力は無負荷なら10Vrms出るので、結構な“中レベル領域”まで調べる事が出来ました。既に述べましたが、お相手の出力段に1Vrmsが届いてもSP出力は0.1Vrms・・・0.00125W/8Ω、などと無視して良い理由付けがしたくなる。

アナライザの測定下限、10Hzのレベル違い3種の歪み波形です

番外TN351不平衡接続10Hz・0.1Vrms歪み 番外TN351不平衡接続10Hz・0.2Vrms歪み 番外TN351不平衡接続10Hz・0.4Vrms歪み 番外TN351不平衡接続10Hz・0.8Vrms歪み

DS...では左端の歪み波形が塗りつぶされたみたいに不鮮明なので、SS-7810で観測・撮影しました・・・が、ボケちゃった。なお20Hz・40Hzでも数値は低いが類似傾向のギザギザが見え、之奴がゾワゾワ動いてます。

測定電圧レベルが上昇するに連れ、3次高調波成分が強勢に変化しました。あのギザギザは、まだNois成分を除去できていないのか、重い負荷のOSC由来の残留歪みなのか、はたまたカン違い作業でチョンボしたのか・・・?。解らん(知らないだけ?)事態が頻発して、楽しんでいます。偏ってんなあ。

以前苦労した歪み率数値の揺らぎが、ここでも現われました。前回のマッチングトランスでは軽微だったが、今回はいささか厄介です。測定レベル・周波数でも異なるが、概ね低〜中レベルでは1〜2割の巾で上昇下降を繰り返します。その周期は1分〜数分に及び「どれを読みゃエエんだ〜」てな感じ。上の4枚の画像で見える“ギザギザ成分”が歪み波形の中で動いているのが関連している気がしてなりません。苦渋の決断ですが、目にした「最高値」を選んで記録しております。

番外TN-351平衡接続測定回路 445冶具で平衡出力を送ります。1次全巻線に40Vrms超が届く見込みで、全2次に70Vrms出ることを期待。

タムラ資料ではどうとも書いて無いが、もしかしたらコチラが設計意図なのかもと想像したのです。メンド臭い測定ですが、気になっちゃったからには調べにゃ治まらないので。

番外TN-351平衡接続F特

下から2番目が不平衡接続で得たF特データからのコピペでして、概ね7Vrmsレベル。低域は2次10Vrms時と近似で、平衡・不平衡の差は高域特性に見られ、どうやら平衡使用が本筋と思えます。40kHzの4dbに及ぶ凸は厄介ですが、凹が無くてマシ。

なお帯域端の尻切れは、445冶具の能力によるもので、低域はコアの励磁電流歪みに耐え切れません。高域はOPアンプのスルーレイト制限です。中域では80Vrms得られても、マトモに正弦波形を維持できたのは40Hzまでで、レスポンス低下は少ない32Hzでも“ゆがみ”が見えはぢめます。

番外TN-351・2次平衡度

DS-5102Bの演算機能では、Ch1+Ch2の電圧加算数値が「出せない・・・」みたいなので、それぞれの数値を拾ったデータから2次2巻線の平衡度が導き出せました。40kHzまでは良く揃ってる・・・と思うが、比較する他製品の知見無し。40kHz以上でのバラケ具合についても・・・以下同文で御座います。

番外TN-351平衡接続20Hz歪み率 番外TN-351平衡接続40Hz歪み率 2番外TN-351平衡接続80Hz歪み率 番外TN-351平衡接続100Hz〜10kHz歪み率

445冶具使用なので、1Vrms未満の低レベルはアテにならんと決め付けた歪み率特性です。不平衡接続測定Aとの一貫性は失うが、10Hzでは幾らなんでも辛かろうと。でも20Hz〜80Hzの低域に偏ったデータは、30kHz・LPF入り。100Hz〜10kHzの方は80kHz・LPF入りです。ここでも高レベル以下では数値の揺らぎに苦慮し、最高値を記録。

低域の飽和歪みが「見える前」に1%越えてます。急激に歪みが増加する印象を感じていましたが、コレだけではなんとも・・・。不思議な事に、周波数で変わる「最底値」が決まってるように見える。で、コアがなんたらこ〜たらの根拠の無い妄想をしたくなります。右端は冶具出力の歪み率併記を省いてしまったが、1kHz・10kHzの数値は・・・冶具の実力に近く、サンプルの実態を示していない様子。

番外TN351平衡接続20Hz・10Vrms歪み 番外TN351平衡接続20Hz・32Vrms歪み 番外TN351平衡接続20Hz・40Vrms歪み 番外TN351平衡接続1kHz・86Vrms歪み

なんだかテキトーに選んでしまった歪み波形4種。1〜3枚目で、3次歪みが様変わりする過程を捕らえた、つ・も・り。4枚目は・・・冶具のクリップが発生したと思う波形です。こんなンを見てしまうと、独特の色付けを先入観として持ってしまいそうで、後々困りますなあ。

2次の平衡接続は、PPアンプしか作れません。ま、逆相?シングル2組を作って、出力トランス2次で合成する「ナンチャッテ・シングル」アンプは出来るかも知れませんが、そりゃPPだ。ま、余談は \(・_\) (/_・)/ さて置き、フツーのシングルアンプなら、2次のGなりを接地せねばなりません。1次は445冶具の平衡接続のまま、2次を不平衡接続に戻しますとあの凸凹が復活するのでしょうか。

番外TN351・2次平衡と不平衡の差 2次のみ不平衡接続(G接地)に戻して、平衡接続F特の10Vrmsと重ねてみました。縦db目盛りをさぼった手抜きデータです。

粗い測定ですが、凸凹が復活しました。この差は甘んじるしかありません。

さてと・・・と、スルーしまして

このページのトップへ

不平衡接続を「本命」と述べましたが、説明不足で、1次2巻線の並列を目論んでます。単純にトランスの電圧利得増加を目論んだのです。前段回路の負担は重いが、そこン所も調べたいので1次インピーダンスの測定を追加します。

番外TN351不平衡1:4接続測定回路 1次も不平衡接続・・・が本筋なんですが、その前にこんなのを試してしまいました。

1kHz時、1次2巻線並列に40Vrmsがギリギリ届き、2次に154Vrms出ましたので、1:3.85かと。残念ながら70Hzでは振幅を維持するものの、2次波形に歪みが見えます。2次100Vrmsでは・・・50Hzまで。

番外TN351不平衡1:4接続測定回路 1次も不平衡に戻しまして、大雑把に調べますと・・・1次直列で得られた2次80Vrmsに届きません。ラフ計算でも1次側のインピーダンスは6kΩ台が半減するので、むべなるかなと。

目視での無歪み下限は35Hzほど・・・

番外TN351不平衡1:4接続F特

帯域は狭くなりました。1次側のインピーダンスは低いのですが振幅も半減しているので、冶具への負担は・・・似たような印象。しかしタマでやるとど〜かな。

番外TN351不平衡1:4接続Zp

1次インピーダンスです。タムラは出力トランス以外でも高域はキャパシティブ傾向・・・などと決め付けたくなるカーブ。それよりこの、ンkΩを「今は言えない」タマでドライブ出切るやろか。それが心配です。

番外TN351不平衡1:4接続20Hz歪み率 番外TN351不平衡1:4接続40Hz歪み率 番外TN351不平衡1:4接続80Hz歪み率 番外TN351不平衡1:4接続1kHz歪み率

2次負荷94kΩと47kΩ2種の併記で、多分読みにくいだろうグラフ。100Hz〜10kHzは・・・1kHz一本に省略しましたが、冶具出力の歪みを併記。80kHz・LPF測定なので、20Vrms未満では高域が狭い(40kHzで−3db未満)2次出力側の方が低Nois。

さて・・・平衡1:2接続の倍くらいに歪みは増加してます。しかしこれがTN-351由来なのか冶具なのか・・・判別はしづらい印象です。両方が絡んでるんでしょう。なお、クリップ電圧の低下は、明らかに冶具責任です。特に47kΩ負荷、1次側インピーダンス+Zs≒4kΩ内外はキツい。

1:4接続の歪み波形提示は・・・省略。平衡1:2接続くらいで、チョッと悪いが極端な違いは見えませんから、我田引水・独断と偏見で見たところ、1:4接続が「使いモンにならぬ」ほど悪くは無いと決め付けました。「今は言えない」前段管で使いモンにならなかったらイヤだが。

何時かの後に実機で確認すべき事でしょうが、TN-351の、信号レベル差で極端に変わる低域特性について。2次1Vrms時では1Hzでも殆どレスポンスの低下が見えません。もっと下まで追うと良かったのかもしれませんが、前段管と電源のフリッカーNoisは、ダダもれで出力管に届きそうです。

これも「今は言えない」出力段のOPT込み利得は、−20db内外と踏んでます。TN-351で1Vrmsの2次出力は、8Ω負荷に0.1Vrms・・・Po=0.00125Wでして、MAK-6630の歪み率測定電圧範囲の下限でもあります。よほど気を配りませんと“ふ〜らふ〜ら”指示値が落ち着かないアンプが出来まっせ。

このページのトップへ


忘れモノ実験

20160215〜

CH実験を謳いながら、CHの歪み率を調べてませんな。エライ片手落ち。詳細測定のサンプル、平田電機タンゴ・TC-30-50を使いますが、他のでやったら一貫性は出鱈目ですモンね。

TC-30-50・20Hz歪み TC-30-50・40Hz歪み TC-30-50・80Hz歪み TC-30-50・100Hz-10kHz歪み

おお、低レベルの変てこな歪みカーブ。一山あるこんなのを、ヨソ様のHPでも拝見した気がします。その一山が1kHzにもありそうで、気持ち悪ゥ〜。そして100Hz以下の歪み率数値は微妙・・・。Zs=1kΩ条件だが、予想される出力段の歪みに対して無視しづらい気がします。

TN-351以上に厄介モノです。歪み率数値の静定はさらに遅く、増減変動と単純増加の2パターンが混在してるみたいちゅうか・・・言葉にしづらい事象が続きます。TN...とは異なる興味深い傾向を捉えているのですが、開示に躊躇もしてます。しばし頭を冷やしたいので・・・m(_ _)m

工事中

・・・意欲低下・・・思考停止・・・記憶障害は、まだないが。

このページのトップへ


実験へもどる
HOMEへもどる