汎用高電圧電源

1991〜


目次

バケモノシリーズその2用電源 1990年代〜
汎用化 2000年代〜
汎用化・・・その後 20**年〜


はじめに

高電圧といっても、精々1000V級まで。どなたかがスゴイ実験・作製をされてますが、そこまではねえ・・・。

1980年代の「バケモノシリーズその1」では手持ちPTに、平田電機タンゴのヒータートランスを追加した程度で賄いました。
1990年代の「同シリーズその2」では力不足のため、大型化したのです。現在も利用している電源装置の原型です。


バケモノシリーズその2用電源

1990年代〜

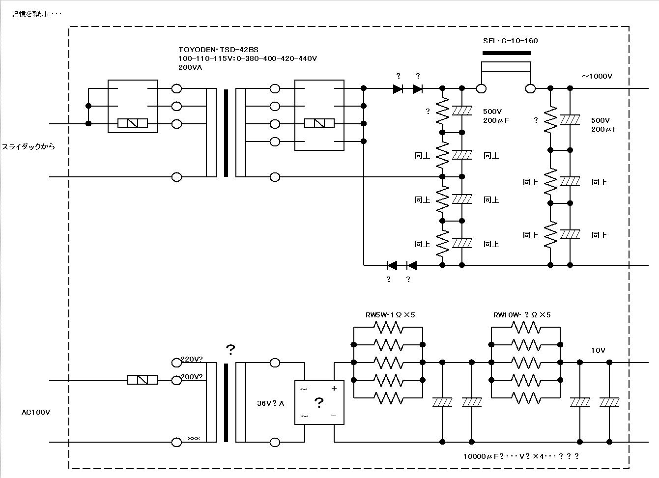
“写るンです”写真を見ながら、記憶を頼りにナカミを思い出そうと・・・

バケモノシリーズその2用電源 その2用回路記憶 写真ではもっと沢山の抵抗が付いてますが、ADJ用だったと思います。

←基本はこんなの。DC10V5A電源がこれほど大変だったとは・・・つくづく思い知らされました。

US8PppVer. 左端、床置きの奴。US8Ppp実験に使いまわしていた頃で、実験当時「写ルンです接写」撮影。

AB電源同居は嵩張るし重いので、トヨデントランスのみ独立させました。整流回路までは含んでいたかもしれません。

3行空けのために・・・こげなことを

このページのトップへ


汎用化

2000年代〜

ついでにケミコンも同居。一時期は550V100+100μF品を載せて1000V級対応にもしましたが、その出番が無い・・・。今は900V未満級に。

2000Ver. 2000Ver.回路

CHは1990VerのC-10-160だったが、BASSAMP作製に回して旧タンゴ0.7H700に。その後今のSEL・C-5-250中古を入手し現在に至ります。

低電圧向きのブリッジ整流に組み替えたこともありました。しかし大電流実験が無かったので、再び倍電圧に。DC300V未満ではスライダック操作がデリケートで、使いづらいのを承知でやってます。

まぢめに考えてなかったが、200VAトランスですから、2次440V・0.45Aと見ます。倍電圧整流では×0.25くらいに考えた方が無難でしょうか。
120mAdcが上限ならば・・・おお、4B20実験や、黒田式新バイアスEL34ppではそれを超えてたのか・・・。

このページのトップへ


汎用化・・・その後

20**年〜

工事中 工事中 放置してるVT-4Cネタやら、1000V級の必要性を感じてます。550Vケミコンの復活を考えて・・・まだ放置・・・

3行空けのために・・・こげなことを

このページのトップへ


冶具へもどる
HOMEへもどる