50HB26・プッシュプル実験

20170531〜


目次

妄想・構想 20170531〜
事前実験 20170602〜
標準ビーム管接続実験 20170806〜
カソード負帰還実験 20170809〜
オマケの三結 20170813〜
予備球の選別 20170818〜
製作 まだです
***
***
***


はじめに

旧タンゴトランス漁りの「買った、しまった・・・困った」事例。その始末記でもあります。

旧タンゴPT、No-10191 概ねH115mm×D100o×H**o(シャーシ上)で、タンゴお得意のショートリング、磁気遮蔽処置が無い製品。特注Noモデル情報は一部しか知見は無く、偏った技術誌などで開示されてないモノもあろうが・・・要するにアレだ。「ナニ用?」てな妄想すら思ひ付きませぬ。

見てのと〜り、厄介な巻線構成。OTLネタの候補として、6CW5や50HB26などをハメようかと考えたものの、完成した25E5・OTLの2番煎じっぽい。有体なタマのシングルやPPには向かぬので、どう考えても捻くれたモノになる厄介なPT・・・と思い込んでたが、掲題のとおり有体なアンプに修まりそうです。

一段落ついたら、他に目移りする悪癖・・・と、分かっちゃいるけど止められぬ。25E5・OTLは完成したけど「完了」してませんな。

2018某日追記:ぺるけさんのHPにて

「16A8(3結)全段差動PPおまけ・アンプ 」からの引用ですが。『本機のヒーター回路はトランスレス式であり、2014年現在の安全基準を満たしていません。その昔、ごく当たり前に行われていたトランスレス式のヒーター回路は現在では使うことができません・・・』との警告文を拝見しました。困った。悩ましい。今後ど〜する。本機は完成後・・・自己責任(好かぬ言葉だが)にて「目を離さぬよう」運用するつもりだが・・・。


妄想・構想

20170531〜

枯渇したのか、WEB上でもさほど作例を見ない地味なタマ。テクニクス20A・40A云々の蘊蓄話も似た頻度で拝見します。なお、故・武末数馬先生はOTLネタ3例、標準PPでは2例の記事がありますから、50CA10並みに“忘れられないタマ”だったのかいな・・・と邪推します。

50H-B26 プッシュプル標準動作例 いつから棚に居ったのやら出所不明の箱ナシ2本に、関東圏在住時買い足した信頼できるスジの4本組。やや中途半端な手持ちです。

松下から2種の標準PP動作例が発表されておりました。Ebb=200Vの方でNo-10191を活かせそうだ・・・と、やっと気づく迂闊。

信頼できるスジの選別条件表には、200V/110V動作例から拾ったような数値で“コレで使ってくれ”ってか?。バイアス抵抗値150Ωを71mA+1.5mAで除すると11V未満・・・標準動作例とは異なる。

妄想回路 PT・No-10191に、ハメこんだ妄想案。前段は未定。

出力段は標準動作例近似ですが、140V巻線のブリッジ整流では200Vにチト足りぬ予感。バイアス電源は有り余るH巻線直列から。同時に未定の前段管をDC点火出来ンかなと妄想。

135V巻線の倍電圧整流で、+300Vを未定前段回路に。多分30mAが供給上限と思ふから、ソレなりの配慮は要りそうです。

「黒田式・・・」の際に試したままの死蔵5kΩppのOPTから、FX-40-5を採用。2次ズラしの2.5kΩpp使用で対応。2本分許容電流値は260mAと書いてあるからダイジョウブでしょう。

食わず嫌いだったカソード帰還を試しましょう。中林歩氏のご著書で知った事なのですが、本機は2次16Ωフルタップ使用ですから、接地する4Ωタップに対し帰還電圧の平衡性は良好だろう・・・と期待します。

前段回路未定なので、OPT1次の位相関係は未定。ループ帰還も含めてケッコウややこしい。

Technics・A40を調査しましたら、おお・・・これもカソード帰還やってました。出力段の動作条件は、300Vのキツイ方を採用した割に、30W台の最大出力らしい。本家が“タマの能書き”実力を出さンでど〜しっちゃったのよ。

妄想中の前段バリエーション2種です。

位相関係おさらい コマカい部分は○○○○ですが、要するにOPTの接続・位相関係の違いです。知ってる作例・・・40A以外では武末先生の2件だけですが、いずれも左の3段増幅ばかり。どっちも少なからぬ負帰還量ですから、むべなるかなと。

プッシュプルにカソード負帰還を採用した作例は幾つか見ますが、OPTの位相関係が明確な記事は少なく・・・2/3段の違いでは、初段への負帰還も考えるとこ〜なるはず。ジブン用のおさらい記録ですが。

標準動作例では−14Vのバイアスですから、片側10Vrmsチョイと思や2段増幅でもやれんこたァなさそう。ただしカソード帰還分を想像すると16〜17Vrmsの所要ドライブ電圧と利得の目減り・・・。

正直言やァ、2段増幅にココロは傾いてます。QUAD式のは気になるけど、Ayumi'sさんの本/HPで勉強しても咀嚼不足。動作形態にループ帰還が必須らしく、「無帰還状態」ってのが試せんの?。負帰還外したら位相反転の平衡精度まで悪化するのだ・・・と読みましたが、さて。

まだ理解の範疇にある、差動増幅で誤魔化そうかなと。ただし負帰還量はソコソコほしいから、また「死蔵の高gm5極管」の中から選ぼうかなとも・・・。そして、20dbほどの高帰還を甘く夢見てます。

出力段の200Vで前段部も賄うのはチト苦しい按配。No-10191ならば135V巻線の倍電圧整流で前段用に300V内外の電源は用意できますから楽観してますが、50HB26の標準PP作例が少ない理由の一端を見た印象です。

このページのトップへ


事前実験

20170602〜

巻線の表記電圧で“だいたい”分かろうというモンですが、実負荷時の電圧は知っておきたい。リクツより実験先行。

No-10191の実験回路 No-10191の140V巻線で、懸案の200V内外が得られるかどうかの確認です。135V巻線と6.3V巻線×2は無負荷なので、甘いテストか。

新調したACクランプメータでも、140V巻線の整流前電流値を確認。サンワDMM・PC-510のACAレンジとの差は微妙です。それはさて置き、AC0.9Aに至るDC負荷電流値は500mA弱かと確認しました。

140V巻線のブリッジ整流出力 無負荷電圧199V→184V460mA負荷電圧はしゃあないとして、無信号時相当と思われる240mA負荷のリプル電圧は0.58Vrms(DMM・PC510のACレンジ値)で、無視しづらい数値。

標準ビーム管接続では「Ebbだけのリプル」には強いだろうと思うものの、荒っぽい楽器AMPしか試作経験が御座いません。

負荷線を引く 松下からEc2=110V時のEb-Ib特性曲線が開示されてました。

標準動作例のEbb=200Vから2.9kΩppの負荷線も併記。赤実線が本件のEb≒175V、RL=2.5kΩppの負荷線です。Ebbの減少をRL低下が補って?、ibmaxはほぼ同じ。册b≒25V分の出力差に留まるなら我慢しますが。

200Vからの2.9kΩpp負荷線上では、甘く見てもibmax≒240mAですな。計算上でも25Wは出ませんぞ。Eb=220V(Ec2=110Vの2倍)なら25W出るンだが。AC100Vの倍電圧整流を意図してそうなんですが、なぜ200V?・・・。

なお、赤実線の動作条件では18Wほどと計算されます。

3行空けのために・・・こげなことを

この後、445冶具菊水PMCシリーズによる実験(50HB26はAC100V点火)にてEbb=200V、Ec2=110Vの動作例電圧。RLpp=2.5kΩ、2Ibo≒120mA(減らした)の動作条件で掴み実験を試みました。ペア性がよろしくない出所不明組はPomax≒18W(波頭はプチ潰れ)でしたが、見事な一致ぶりを見た“信頼できるスジ”の2組では・・・15〜16Wがイイトコだと確認。Ebb≒180Vでは13〜14Wほどに低下しました。OPTの直流抵抗分・挿入損失分・・・心配性ゆえのRk=10Ω挿入を考えても、能書きほどの実力は出そうにない印象ですな。

これも“印象”レベルの話ですが、負荷線上のebmin>30Vがサンプルの実力かなあ・・・と。

...; ̄Γ...

ウジウジと悩みながら、些細な?出力の違いにこだわりましょう。No-10191の6.3V3.3A巻き線2組でいささか悪あがき実験を経て、140V巻き線のブリッジ整流・平滑電源の下に「嵩上げ電源」を“敷く”ことにします。

3行空けのために・・・こげなことを

Ebb≒200Vを目指した嵩上げ/積み上げ式電源です。回路絵面は醜悪で、如何にも苦し紛れ風なのは認めましょう。

10191の実験回路2 残る6.3V巻線2組で出力段のバイアス電圧と、まだ未定の前段管をDC点火する目論見も・・・以下同文です。

モッタイ無くも遊休死蔵の平田電機タンゴ・0.1H1200を加えたのは、一寸でもいいからリプルの低減を意図します。そして出口側に奢った820μFとの濾波効果は認められました。

6.3V巻線一組の4倍電圧整流による+25Vほどの嵩上げも試しましたが、更に醜悪で440mAdc負荷時の所要AC電流値が上限近い。6.3V+6.3Vの2倍電圧整流も思い浮かぶが・・・止めた。左に掲げた程度が落としどころかと。

積み上げ整流出力 無信号時相当で約200Vを確保できました。

積み上げ式ではリプル電圧も“積み上げ”されて悪化。0.1Hと820μFの効き目はあります。

←CH下流のリプル電圧スケールはCH上流と共通だからこんな風に。リプルが抑圧され、電灯線電圧の揺らぎが残留して指示値が動きますから・・・最大負荷時0.05Vrms未満としか確認できませんでした。

10191の実験画像 実験レベル画像では「醜い配線」を晒してきた、過去の芸風を改めたい気分なのです。ほぼ本番機に載せてもエエくらいの整流平滑部が出来上がりました。

発熱部品の按配探り意図もございますが、いささか密集させすぎの後悔もあります。

出力段の実験中画像 詳細を隠蔽した先行実験では菊水PMCシリーズ給電でタマをAC電灯線点火しましたが、Hハムは希少で2次8Ω負荷のNoisは0.05mVrms(500kHz・BW)内外でした。DC点火不要と判断し“DC点火好き”の汚名返上?を図る。

Ebb≒200Vのリプル、No-10191の漏洩磁束・・・残留Noisが増えるかも知れないので、その辺を気にしてます。

いささか気になるヒーターの・・・ちゅうかステム上、カソード下に引き出されたヒータ線2本のウチ一本と、Cピン内部接続点の瞬光?閃光?を見ます。実験初期には無かったハズで、ン回目の点火からかは記憶にありません(もはや政治用語?)が、サンプルA球は定着しちゃったみたい。動作に影響は出てませんが、如何にも何時かは切れそうな感じは気持ち悪い。もう一組の“信頼できる筋ペア”のD球も光りますぞ。そして、出所不明球ではまだ光りませんぞ。

「松下球では見られるよ・・・」的風聞は拝見するが、ヒーター本体(カソードの内部)の発光現象を言ってるのかど〜なのか、事象のディティール情報が中途半端ですな。論調は「気にすンな、平気」みたいでさ。そんなこんなで・・・枯渇気味の50HB26を探しまくり、微妙な値付けの4本(ペア性は不明)を予備として買い付け。ちなみに同系統と聞く25V球・25HX5も探したが国内販売見つからず・・・海外サイトでは腰が引けるなあ。

このページのトップへ


まずは標準ビーム管接続実験から

20170806〜

“瞬光・閃光”が気になる信頼できるスジの2本です。そして信頼に応えるペア性は確かに良好で、445冶具のACバランスはPP上下とも極めて一致しておりました。

標準ビーム管接続 オーザッパな結果ですが、冶具平衡出力19Vrms弱で、11Vrms/8Ω≒15Wのクリップ。武末先生式の定格出力規定では12.5Wがイイとこ。

12.5W時の2Ib≦180mAは、無信号時・同≒120mAの1.5倍は・・・浅めAB級かと思います。12.5W時の2Ic2≦20mAはソレナリの急増ですから、安定化された電源供給が必須と考えます。、

←No-10191電源部には、静止時相当の疑似負荷も与えております。

←50HB26の点火には、おまじない的に石塚NTCサーミスタ・22D7をカマしました。冷却時の2本直列抵抗値≒110Ωに対しては、イカニモのおまじない程度ですが。

残念ながら、基板入力部を接地しても0.18mVrmsほどが上記実験の下限値か。MAK-6630・オーディオアナライザの各種フィルタで按配を見ますと・・・どうやら60Hz成分が多い印象で、100Hz・HPFだけで0.1mVrmsを割ります。で、実験中画像のFX-40-5⇔No-10191間隔を1pチョイ遠ざけるだけで0.16〜0.17mVrmsに。近付けりゃ容易に0.2mV超に至ります。

ちなみに実験画像の配置を保ったまま、No-10191電源を止めて、菊水PMC250...給電を再試行しますと・・・0.05mVrms内外が容易に再現しました。う〜ん、タップリ20pは隔離したトランス間ですが、磁気遮蔽ナシ品はタンゴらしくねェな〜・・・てな印象。既に妄想している未開示意匠を大幅に変更せねばと、頭がイタい。

標準ビーム管接続F特 菊水PMCシリーズでの実験途中で得た僞b/僮bの感覚から、rp≦30kΩと想像しますが、2次ズラし2.5kΩpp動作とFX-40-5の高インダクタンスに支えられ、ネイティブのビーム管接続でも十分な低域レスポンスを得ました。ただし0db/V=0.125Wでも2Hz付近以下でOPTの磁気飽和がはぢまり・・・情けない波形に。

ネイティブのビーム管PP無帰還特性を実測開示されてる作例は少なくなっちゃって・・・とボヤキつつ、12.5W時などの過酷条件でも、帯域端でのIb・Ic2の増加は穏やかでした。三極管では負荷線が“立つ”だろう帯域端で著しいIbmaxの急増を経験しますが、多極管の意外な良さを感じたのです。これは高負荷抵抗時や、負荷開放でIc2急増を呈す弱点と裏腹でもありますが。

0.00087Wの中途半端な測定レベルのカーブは、FX-40-5添付資料のF特測定信号・2Vrmsから算出した出力を模したつもり。ややハズレたまま測定を進めてしまいまして・・・、と弁明します。いや、言いたいのは、極めて小出力時のデーターなんだぞ〜ッてことです。

添付資料で「40Hz(45W)」の出力を読みますが、これを11.85V/Hz(死語?)に換算。20Hzで許容される出力は11.2Wに激減します。グラフの12.5Wデータに近似し、20Hzの波形はほんの少し歪みかけてた記憶です。同様に2Hzでは0.112W・・・グラフの0.125Wデータに近似します。2Hz付近から波形が歪むのもむべなるかなと。

0.1Hzからの測定を試み始めてン作目になるのか・・・、負帰還設計に絡む出力段の低域遮断周波数の把握が目的なのです。そして・・・いささかのギモンが生じます。FX-40-5添付のインダクタンス値、170〜350Hに基づいた計算とは微妙に・・・そして大レベルでは大きく異なります。コアが磁気飽和したら時定数計算に乗らン事は明らかでして、インダクタンス最大値(もしかして50Hzで測定?)をもって「1.13Hz」云々を導き出すのは実態にそぐわないのでは・・・と。昔の文献を含め“解”を求めておりますが、こ〜ゆ〜のッて、最新のシミュレータではど〜なンでしょうか。

高域のプチ凸は・・・FX-40-5の添付データでも見られるZp凸が絡むのかな、と感じています。そしてZpを半減させた2次のズラし使用がZp凸を増大させていそうな印象もあります。ISOタンゴさんの添付資料でも非正規雇用使用のZpデータなど開示してるわけもナシ、ジブンもOPTの非正規使用単体Zp測定・・・してませんな。なお、12.5W時カーブでは凸が消失しており、そのメカニズムは不明。ただし凸があった帯域で正弦波出力半波に斜めクリップみたいな歪み方が見えまして、関連するのかどうか・・・低〜中域では20mA未満だったPMC160...の表示値が増加。最大40mA台にまで至りました。無誘導(と聞く)疑似負荷抵抗を使用してても、ン10kHz以上などでは負荷線が直線を維持していないのでしょう。FX...の高域Zp凸による誘導性楕円負荷線?。

高帰還設計に傾きつつある、本機に関わる愚痴・ボヤキでした・・・m(_ _)m・・・

標準ビーム管接続THD これも気になる歪み率カーブの乖離です。特に100Hzでは低レベルで著しく、FX-40-5由来の「個性」であり、「黒田式・・・」での経験を裏付ける結果だと考えます。同じではないが似た波形。

1kHzも最低歪み付近ではソレっぽいカーブと波形を見ます。10kHzは様変わりして、2次歪み混じり。PPの不平衡を疑わせるので、コレはOPT由来とまで言い切れませぬ。

ネイティブのビーム管PP無帰還特性を実測開示されてる作例は少なくなっちゃって・・・とボヤキつつ、445冶具の上下出力は均等状態で測定したのです。信頼できるスジのペア性に頼ったデータなので、冶具で上下ADJすりゃチョッとは良くなるだろうか。

隠蔽した先行実験の低Noisデータでは、1kHz・10kHz共に0.001〜0.1W間が0.1%未満でしたから、もっと乖離が目立ったのです。ハムで格差を圧縮するッてえ手もあるな・・・、などと不毛な戯言でした。

出力インピーダンスは高かろうと思います。後で楽しむ?ため、まだ見ません。

このページのトップへ


食わず嫌いのカソード帰還実験

20170809〜

をやります。大昔の「6V6-GT(T)pp」でプチ実験したッきり無関心を装っておりましたが、今頃試す気になったのは、一台くらい作ってみるか・・・程度のユルい動機です。改めておさらいしますと、回路図イメージ以上に理解はムズかしいと感じます。

中林歩氏や他の先達による解説にて、カソード帰還では2次巻線側も出力管の負荷計算に絡むとのお話。概略負荷抵抗値は2.79kΩppと計算されましたが、巻線のDCRを無視したので2.8kΩpp以上なのでしょう。要するに「カソード負帰還量数値」以外にも動作は異なります。更に、G2は交流的接地電位なのでカソードの電位と一致しませんから、ネイティブの多極管動作では無い、とイメージは出来ますけど、数式が出て思考停止。

故・藤井秀夫氏が残した記事からの受け売りですが、PPのカソード帰還電圧は当然ながらPP合成波形なのに・・・PP個々の出力管カソードに帰還される矛盾・・・とかナントカ。どうやらPPの相対球が発生する歪み成分も含んだ帰還電圧波形ってのが“気持ち悪い”ってなお話。

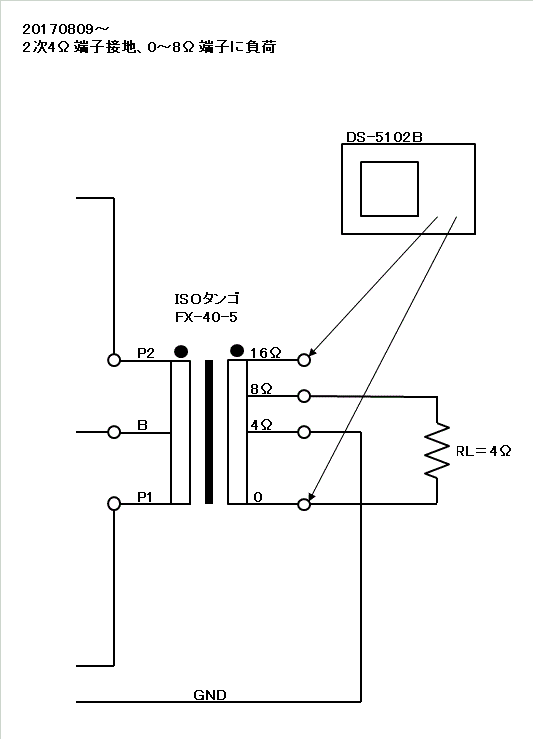
その前に勿体ぶった実験ですが、FX-40-5の2次4Ω端子を接地して得た、4〜16Ωと0〜4Ωの対地出力電圧のF特です。低域は1Hz〜1kHzまで僅差でしたので省略の手抜きッ。

2次4Ω接地・フルタップに8Ω負荷 2次4Ω接地・フルタップに8Ω負荷F特 プッシュプルのカソード帰還は平衡型帰還ですから、専用巻線を持たないOPTの2次巻線で代用する平衡性の懸念を払拭したいのです。

で、結果はと言うと・・・実測前例を存じ上げないので、判断しかねるというオチ。〜100kHz超までは0.1db未満の差なので、大丈夫だろ〜な〜と思うしかない。

2次4Ω接地・0〜8Ωタップに4Ω負荷 2次4Ω接地・0〜8Ωタップに4Ω負荷F特 実験意図は書き辛いが、2次フルタップではない負荷接続で、上記の平衡性が崩れるだろう実態を調べたのです。8Ω〜16Ω間が開放された分だろうプチ増が見えました。

心配性なので1kHzの最大出力を確認。クリップは4Ω〜0間が5.5Vrms、4Ω〜8Ω間は2.3Vrmsでしたので、アタリマエだが15W出ます。

正直言や、中林歩氏のご著書の6BQ5PP作例で、その不平衡性が述べられていて知りました。2次巻線での代用では・・・フルタップで使うべし?と解釈。ただ、カソードへの負帰還電圧が上下揃わぬ(差≒0.4db)だけの事象ですから、歪みは増えるが音がど〜こ〜とは無縁?。

ヤットコサですが、副題のカソード帰還(以後ときどきCNFと略)をば。

ビーム管接続+CNF 決めてない・・・はずの前段ですが、2段増幅を念頭に置いたようなOPT巻線の位相関係で実験してました。

帰還量は−4.3dbでした。クリップ時の445冶具平衡出力電圧は33Vrmsで、300Vほどの前段電源で十分賄えると思います。ただし20dbのループ帰還量(多過ぎ?)を念頭に置くと、+46dbほどの利得が要ります。う〜ん・・・。

柄にもなく、カソード負帰還量からrp計算をば。中林歩氏のご著書から、277頁の式をお借りします。しかし出力管のgm公称値は、シングル動作例のIb≒120mA(当然一本の)時の15mSのみ。Ib値半減の本件ではgmも半減?しちゃったら・・・

gm≒7.5mSですと、オーザッパに2rp≒5kΩ。10mSを維持してたら、でも4kΩ未満って感じですな。低域遮断周波数の一要素、2rp//RLは、CNF無しの“半減”までに至らないようです。

標準ビーム管接続+CNF・F特 高・低域とも若干の伸長が垣間見える気がする印象の感じ。rp低下の恩恵なのかど〜なのか。

2Hz内外でのOPT飽和は相変わらず。

CNF無しでも、高レベル高域測定時に445治具のスリューレイト制限を見ました。CNF付きでは更に測定上限が狭まり・・・。

高レベルでは1次インダクタンスが増加して、出力段の低域が“伸びる幻想”はアテにならないのでは・・・てなお悩み。段間TL1<出力段TL2のスタガ配置はよく見ますが、高レベルでTL1≒TL2にならない実証はされてるンだろうか・・・てな悩み。大昔の武末先生による指摘はこの事だったのか?てな・・・。

もう低域遮断周波数の把握は、脇に置いときまして。

標準ビーム管接続+CNF・THD だいたいCNF量に見合う低減ですからこれでエエよな・・・とは思っておりませんでした。CNFによる球のrp低下の恩恵が、100Hzカーブの低レベル乖離を改善してくれるかも、と楽観していたのです。

・・・
・・・・
・・・・・妙な沈黙・・・

余談かも知れぬが、445冶具のACバランス調整が要りました。いぢる前の確認を怠りましたが、事後確認では4Vrms/2W出力時、上側入力≒5.5Vrms、下側≒6VrmsにADJしていました。ADJ前は上下揃えてたはずで・・・CNF付加でこれほどのアンバランスが生じるとは意外。

・・・思惑ハズレで増加する「・・・」が見苦しい・・・。ま・・・全く効果ナシデワナイノデウケイレルシカナイノカナと。

出力インピーダンスは低減されただろうと思います。後で楽しむ?ため、まだ見ません。

このページのトップへ


ここからはオマケの三結PP実験です

20170813〜

CNFを外して、50HB26の三結PPを試しました。オーザッパな予想ですが、2rp≒1kΩと踏んだ出力段でFX-40-5の100Hz歪みがイカに改善されるだろうか・・・との期待アリ。

三結実験 2Ibo≒120mAを得るバイアスは深くなり、遊休となったPMC160...で供給。おかげでビーム管接続では見られなかったIb値の変動がホニャララ・・・。3極管(三結も)のバイアス電圧安定化では、Ebbも安定化が望ましい・・・と、分かっててやってます。

ソレとの関連性は考えにくいが、Iboのダラダラ増が気になります。数分後には2Ibo≒130mA近くに増えてて、バイアスADJで回復。以後は大人しいけど、時間をおいて立ち上げると、2Ibo≒116mAからの微増で始まる。

三結F特 ビーム管+CNFでも残留してた、100kHz前後の凸が消失しました。これも低rpの恩恵かと存じます。

低域はほんの少し伸長がみられるものの、2rp//Zp計算に見合うのかど〜か微妙な按配。そして、2Hz辺りからのOPT磁気飽和(0.125Wカーブ)には関わらないって事でしょう。

445冶具の能力上限で測定範囲は更に狭い。それに、低域のOPT磁気飽和領域でRk電圧監視のDMM指示値(クルクル変化するが)は多めに見える。三極管ならでは?の非飽和特性で、“立ってる負荷線”上のibmaxは相当大きいのだなと感じます。低域測定下限を切り上げた理由です。超低域信号入力では“壊れる”云々の風聞を目にしますが、こーゆー事象の先に起こりうるのでしょうか。(数値記録なし・・・が惜しまれる)

三結THD 懸案の低レベル時100Hzは減るが、1kHzも減って格差健在。そういやFX-40-5の単体測定で調べた2rp≒2kΩ条件の半減に過ぎません。追求するなら超3結やれッてか?。

いや〜・・・FX-40-5の低レベル低域歪みの頑固な事ッたらもう・・・。これを“個性”だとは呼びたくね〜ぞ。“癖”だ、癖ッ!。

そして10kHzは2次歪みタップリ、シングルアンプ並み。オマケ実験なのですが、追求するか止めるか悩む・・・。ドライブ電圧の平衡性が×なら策はあるけど・・・。

やりがいは希薄だが、10kHzの2次歪み主導を調べました。1kHz・4Vrms/2W・0.44%時の上下ドライブ電圧は、11.6/11.7Vrmsで、0.0048%。同10kHzの1.21%時でも11.5/11.8Vrmsの平衡性を維持しており0.0128%・・・三結出力段側のホニャララか。その大元は、なんぢゃらほい。

本件の主題ではありませんから追求しませんが、余計な一言は書きたい。三結では445冶具の出力電圧上限から9Wほどで頭打ち、実力は10W行くんぢゃないかなと思ふが・・・面白味には欠けるなあ。

出力インピーダンスは更に低減されただろうと思います。後で楽しむ?ため・・・クドいって?か

このページのトップへ


予備球の選別

20170818〜

実験中耐えてたけど、いつプツンするか怖い「信頼できる筋」のサンプルA。同D球でも見てるので、予備球4本を追加したことをすでに書きましたが・・・信頼性は?のお店から。

外観2種 信頼できる筋の2ペアは、プレートに穴あきタイプ。ペア性がイマイチの出所不明球2本と、追加予備球は穴ナシです。

だからナンなのさ・・・ですが、穴ナシ6本で、ちィとはマシなペア組出来たらなあと。

選別結果 調べる順番が遅いけど、菊水PMCシリーズによる近年の芸風です。

ゼロバイアス、Eb=Ec2=50V条件は、25E5/50JY5同等と思ってるから。そして「信頼できる筋」の4本は、やや足りない印象です。出所不明球&追加球には意外に良好な個体がある。

比較の話ですが、信頼できる筋の4本はペア性が素晴らしく、赤字コメントは見なかった事にしてね。追加予備球4本でソコソコペア2組は幸運。出所不明球2本が除け者で不憫だが。

穴無し4/6組THD 穴無し6本中、最良と思はれる組みのビーム管・CNF無しです。信頼できる筋に匹敵するペア性に喜び、パワーはプチ増で(CL≒16W)嬉しい。

****

今ンとこ、「瞬光・閃光」の兆しなし。経過観察は要るが・・・。

穴無し6本中、次善と思はれる3/5組みのペア性は悪くない。パワーは信頼できる筋並みのCL≒15Wだが、↑組とのステレオ相方出来ます。測定データは省略の手抜きします。なお、今ンとこ、「瞬光・閃光」の兆しなし。以下同文。

穴無し6本中、残り物1/2組みのペア不同は承知で、1W以上のTHDがプチ増を確認します。些細だがこの組もCL≒16W出ます。まあ極端に酷いわけぢゃないので、測定データ省略の手抜き。今ンとこ、「瞬光・閃光」の兆しなし。以下同文。

CNFやると、ACバランスの再調が必須。う〜む・・・CNF実験最初に調べた2次巻線の平衡性テスト結果はなんだったんだ〜。

ペア性の差や、ゼロバイアス特性の差などが若干見えた気分ですが、3周波数の格差、及びその傾向は同じですな。本番機では445冶具が球の回路に置き換わるので、これらより良くなる可能性は無いだろうと想像します。いや・・・下手すると1k/10kHzが悪化して、100Hzカーブに近づくかも。しかしそれでは失敗でしょう。高帰還で取り繕うけど・・・。

このページのトップへ


製作

201708xx〜

モライモン400×230のシャーシの活用を思い付き、既設の穴あけに適合するパーツを吟味・調達までは進めました。が・・・ヨソ事への目移りがはぢまっちゃって、放置。なにを始めたのかは、まだ書けない。

このページのトップへ


実験ネタへもどる
HOMEへもどる