6V6シングル(1)

1993****〜


目次

昔話 1980年頃?深入り実験・・・2 20150212〜全回路実験 20150418〜
1993年時点の現状サブテーマ・・・2 20150212〜測定 20150422〜
2006年のメモU-808とPMF-10WS 20150216〜試聴 20150426〜
2010年のメモ思いつき実験 20150217宿題 20150603〜
2013年のメモ前段回路 20150220〜宿題・・・ 20150611〜
再開 20150126〜全段回路実験 20150401〜まだ宿題・・・ 20150613〜
深入り実験・・・1 20150201〜深入り実験3・・・ヒーターハム 20150408〜おさらい 20150614〜
サブテーマ・・・1 20150210〜深入り実験3・・・誘導ハム 20150411〜割り込みネタ“5992Ver.” 20160316〜
U-808とPMF-10WS・・・1 20150211〜深入り実験3・・・リプルハム 20150413〜6F6-GTへの着せ替えゴッコ まだです・・・


はじめに

MY計画書?では「6V6-GT(T)pp」の次に拵えるベく着手した・・・はずなのに。ま、途中でほうり投げた経緯やら、ブランク中に感化した「余計な情報」に惑わされてた事柄なども合わせて書き散らしてます。

再開後には、これまた妙な妄想が湧いて、始末に苦労しました。いや、まだ終わりきってないので中途半端なのはご容赦を賜りたい・・・。


昔話

1980年前後?

発端はタムラPC121が1個だけ入手できた事に始まったと記憶してます。T氏に感謝・・・。

これは本来「6V6GT(T)pp」用に捜し求めていたPC131(既に生産終了)の代用として手に入れた物でしたが、結局もう1個が入手出来ずpp用途は諦め、F475を購入し適当なシングルアンプへと計画変更になった経緯があります。

タムラPC-121添付.jpg

タムラF-475添付.jpg

関連資料を漁っておりましたら、退色甚だしい
2枚が出てきました。しかし、ここで掲げる意味は
無いですな。

6V6GTpp用途には、PC-131よりも無駄が無く手頃なPC-121でした。早くからその存在を知っていたら・・・

6V6(RCA) ウチにあるメタル管は之奴だけ。選んだ理由が思い出せませぬ。相場より安かったからだとは思うが・・・。

後の1993年3月に6V6使用をベースとしたメモランダムが残っておりますが、文中に「2A3、10Y、E406Nなどについて検討してきましたが・・・」とあって(それぞれ別メモが残ってる。E406Nは買ってないよ〜)、よほどタマが決まらなかった態です。

「テスト的に6L6-GCが挿さって音も出せる状態になった試作機を再度ほっぽっておくと呪いも金輪際解けそうに無いので、ここは是が非でも完成させたいところです。」とまで書いてあって、今読むと唖然としてしまいます。

6V6sプラン1 6GA4シングル風前段部+6V6GT(T)pp風電源部。タムラPC-121の330Vタップ使用の「無駄」を承知の構想だったんですね。

それにしても300V・40mAの動作条件はキツくないか?。

このページのトップへ


1993年3月時点のままの現状・・・と、思いきや

6V6s作製1993_1 6V6s作製1993_2 すでにシャーシーに基幹部品が全て組み込まれ、ほとんど完成間近です。前2作同様、LEAD・P-11シャーシなので、似たフォルムになる。いや、そうしたのです。

製作開始当時「写ルンです接写」撮影。右はなぜか6L6GCと12AZ7?挿してます。

6V6s作製1993_2 当時の中断原因をメモで残しておりません。前作6V6GT(T)ppに倣った定電圧電源まで搭載した割りに残留ノイズ・ハムが低下しなかったからかと記憶しております。写真は、製作当時「写ルンです接写」撮影。

この時は6L6-GCでの仮実験中だったかと記憶。カソホロ直結ではなく、CR結合の自己バイアスから始め、徐々に元構想回路へと至る気でいたはず。内蔵の基板は+270V安定化電源。

6V6s作製...いつ頃の? ↑の写真のままでは無かったのですね。カソホロ直結に組み換え途中でした。この状態で20年以上放置・・・。

6V6s改装工事中回路 現物から回路図を書き起しました。6V6sプラン1に似てるが、細部を変更してました。その記録を残していないのです。

中身には「無接続」箇所が多く、書き起こし回路もソコを描画しておりません。なお、+B電源に「スロースタート」風のカラクリを盛り込んでます。しかし、実験データが見つからず、どんな塩梅の回路かは不明。

Ebb≒270Vを目論んでますが、別系統の≒250V?安定化電源は・・・もしかしてEc2用だったかも。標準多結も試す気でいたようです。おお!・・・自分がやった事を少し思い出しました。

注:これをまた「新たに」組み替えるのは勿体無い気がしてます。一度はこの回路で完成させてみようかなあ。

永い放置状態に至ります。

このページのトップへ


2006年のメモ

2006年回路 迷ってました。この時は一般的常識?から外れ、敢えて低DFを狙ってた記述のメモがあります。日和見的ではありますが、定電流アンプと称される「偏った」方向に興味を感じていたのでしょう。

本機ではソレをとことん「追求」するのではなく、6V6自身の高rpに頼った中途半端な「定電流風?アンプ」を目指していました。従って初期のUL接続から標準多結に変更です。

注:今思えば、rp>50kΩだろうと、最終的にアンプの出力インピーダンスはOPTの「個性」が相当関わる事も学びましたので、思い描くほどの高出力インピーダンス化は不可能と承知しております。加えて、カソードバイアス電圧分のEbbかさ上げが、PC-121の250Vタップ使用に対し安定化電源回路の余地電圧分を削る事に。

定電流出力とか定電流アンプなどの定義は“曖昧”だと思います。個人的には負荷インピーダンスの10倍あれば「名乗れる」と感じていますが、それでは飽き足らず100倍以上?を目指す向きもあって、当然の如く負帰還回路やら出力段回路に独特の工夫を凝らした作例を拝見します。逆説的ですが「DF値>100」を得る事と“同列”に考えてしまいます。

まあ、絵に描いたモチというわけで、再び放置状態に。

このページのトップへ


2010年のメモ

2010年回路 再び書き残してました。まだ高出力インピーダンス化に執着してて、自己バイアスのカソードバイパスを外すアイデア?を書き残してます。標準多結の丸裸の6V6では歪が気になる・・・ちゅう訳で、カソード電流帰還・・・これは誤解を招きそうな書き方だが、歪みの低減には幾らかの効果はあります。(別ネタで実験済み)

初段までCk外して・・・やってみたい気はする。

注:ただし、実質rpが100kΩを超えようが・・・以下、前注同文。

加えて、フツーの電圧帰還をかければ、殆どチャラになる・・・でしょうなあ。

このページのトップへ


2013年のメモ

2013年回路 PC-121の330Vタップ使用を検討したメモです。シャーシアレンジはいぢりたく無いので整流管使用は論外。ダイオード整流直後の推定電圧400V以上では安定化電源の制御TR(2SD683Aが付いてる)の負担が大きすぎる。それの分担に直列抵抗だけでは熱的処理(内蔵するリスク)が大変・・・ちゅう事で、整流直後の平滑に10μF未満の小容量を試すアイデアを書いてます。併せて、バイパス無しカソード抵抗値の増大と+バイアス印加で出力段へのEbbそのものを上昇させられる事も書いてます。

バイアスまわりは「着せ替えシングル」と同じ手法でした。しかし、1kΩのカソード抵抗で何dbの電流帰還がかかるのやら、未検証。やりすぎかも。

注:専ら電源事情の辻褄併せの感が・・・。カソード抵抗がでかくなると実質の感度は相当低下する。元電源電圧も上昇してるので大丈夫かとは思うが、6V6とはいえ前段は利得・歪みの面で結構苦労しそう。

このページのトップへ

・・・・・お〜い、何時出来るんだ。


・・・・・は〜い、これから・・・

20150126〜

なにが動機付けになったのか自身不明ですが、ワザと片付けないで邪魔なトコロに置いといたからかもしれません。

2015年度版 2013年度回路の出力段カソード抵抗が「1kΩ」は過剰と思い、半減してみます。電源電圧は約300Vに減るので、PC-121の250Vタップで賄えないだろ〜かと気になりました。

書き忘れてましたが、古くから伝わる?Eb=Ec2=250V・RL=5kΩ・Po=4.5Wの標準動作例に従うつもりです。Ec1=−12.5Vなので所要入力電圧は約8.8Vrmsですから、5kΩ負荷への増幅度は17倍(24.6db)です。

Rk=470Ωで生じる電流負帰還量は、β≒0.1と端折って・・・8.6dbほど。出力段の所要入力電圧は24Vrmsにも増加しまして・・・思惑通り出来るか?。

なお、安定化電源は1993年度版を整理して再利用します。

初期のカソホロ直結UL接続は放棄します。多極管接続シングルは「着せ替えシングル」に続いて2回目ですが、前作は動機・アプローチが不純なので“十分経験した”とは言いにくい。

大袈裟な安定化電源は要るか〜?と、迷いはあります。プレートへのリプルや揺らぎなどの電圧変動には、多分「鈍い」と思うのですが、スクリーングリッドへの影響は無視できないのです。Ebbからツェナ直列でEc2を得たのは単なる電圧ADJです。Ebbに乗るリプルや揺らぎ抑制には無効でしょう。

実は6F6GTへの着せ替えも意図してます。これはまた後ほど。

このページのトップへ

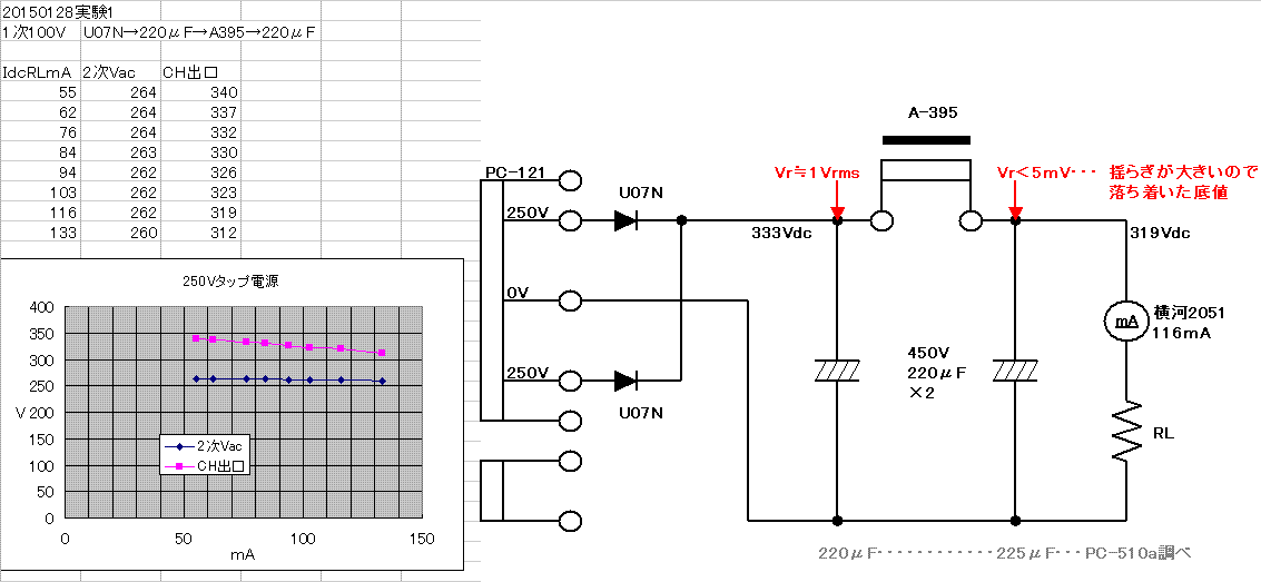
譲っていただいたI氏には申し訳ない話ですが、PC-121(131もか)の250V/330Vタップは・・・整流管前提の電圧設定なんでしょうなあ。Di整流では過大で、余剰電圧の始末がいささかメンドウではあります。以下しばらく、その按配探り実験が続きます。

本ページ冒頭に掲げたタムラ資料では、PC-121の全負荷時250Vタップには254Vも出てます。いや、それはマットウな製品だからなのかも知れませんが、整流直後では330V以上出ると思いました。

20150128実験1 贅沢にも高名な1S2711を奢ってましたが、U07Nに格下げ?して250Vタップの負荷試験をしました。見込まれる約110mA時にCH出口には320V前後で、電灯線電圧が下がると安定化電源を採用した場合に機能しない恐れがあると解りました。A-395の直流抵抗値が110Ωなので、かなり影響します。

実験と並行して、20年は経た450V220μFの電圧処理と漏れ電流の確認をしました。約DC350V印加時20μA未満なので、我が家のしきたりではOK判定です。

2013年度版に基づく実験。買ったACコンデンサは、4μFでした。リプル増加は困るが、整流電圧は下がる見込み。

20150128実験2 しかし無負荷電圧は450Vを超えてしまい、30mAのブリーダー電流で抑制できるが常駐には
苦悩する。約110mA負荷時の電圧は過剰だが、何とかなる(出来る、する!)と楽観。リプル
も安定化回路で抑圧可能と楽観。

覚悟はしてたつもりですが、甘かったかも知れぬ。既に整流直後の100Ωは放置できぬ熱さです。この後安定化電源部で70V・・・8W程の損失を負うのです。制御TRにあてがった放熱器で事足りるのか、コレクタ側に挿入する予定の抵抗との分担にも苦慮します。

AC250Vコンデンサーを平気で使ってる風に思われそうですが、実は恐る恐る・・・半ば賭けのような気分でやってます。全て自己責任(好きな言葉ぢゃないが)の覚悟で試しております。ちなみにDC350V印加テストでの漏れ電流は、0.06μA未満と優秀。この「CMKS品」の中身は「金属化ポリプロピレンと金属化ポリエステルの複合フィルム」だそ〜です。だから何なのさ・・・かな?。

なお、75℃タイプと称されているので、周囲温度には要注意。

後者の330V整流に対応すべく、500Vケミコンに交換するつもりでした。古い手持ちの電圧処理・漏れ電流点検を済ませ、「可」と判断したのですが、4μFAC250V・CMKSコンデンサーには最大470Vが掛かる事に気付きました・・・今頃。

自己責任を宣言しておきながら、これはマズイだろ?と思います。ちなみにこの4μFも500V印加試験を強行しまして、漏れ電流は0.2〜0.3μAと解りました。数値上は500Vケミコンの1/10ほどですが、明らかに350V印加時より増えてます。500Vケミコンは350Vも500Vでも漏れ電流値には変わりなかったのですから。

このページのトップへ


深入り実験・・・1

20150201〜

検討事項はまだまだ残っておりますが、電源事情が判明したうえで一旦脇に置いときます。昨年新規加入したメンバーの、菊水MPCシリーズのおかげで、面倒臭いがイロイロ試せますので。

6V6GT(TEN?) 既出の6V6(RCA)に加えて、古臭い感じの6V6GT(TEN・・・と称して販売)も試しましょう。
1980年代、O-□ぃO専科名古屋店で入手。

ゲッターがステム付近に飛んでいて中身は丸見えです。6V6がアレなので、そんな理由で買ったかも知れません。なお管壁・ベース共に無記名の、しかしブラックプレート。どなたかが良さげに書くもんだから、その気になっちまう。

20150201〜実験1 菊水PMCシリーズのみで通電する出力管のテストです。

3結で大雑把な動作確認・・・電流値やバイアス値など・・・も見ますが、ここでの最終目的はOPT2次負荷に現れる残留ノイズを見るのです。アマチュアレベルで調べられそうな「最下限雑音値」が確認できると考えました。

注:Rk=482Ωは。J級470Ω・5Wセメント抵抗の実測値です。

言い訳:3結シングルの最適動作ではありません。バイアス浅すぎで遊び電流過多は承知。多結シングルの標準動作例に倣っただけです。

RCAとTEN? ゼロバイアス時の電流特性から、コンディションの“掴み”がわかるつもりでいます。

TOSHIBA ELECTRON TUBE HANDBOOKに掲げられた6V6GT(T)の特性曲線では、Eb=100V・Ec1=0V時のIb≒36〜37mAと読めます。GEのデータシートでは≒35mAです。短時間ですがEb=Ec2=150V時も調べました。しかし、RCAの4本は全て未達とは・・・。そしてTEN?球は、なんだこりゃ。

ゼロバイアステストを通過した球でもヘンな奴が居るとわかった・・・。でも、ゼロバイアステストは無意味ぢゃないよ〜と、負け惜しみを言います。

注:3結ゼロバイアス・Eb=100V時のIb値から、2/3乗則だけで数値を推定しますといささか“過大”な数値が出ました。東芝本の3結曲線、Eb=Ec2=250V・Ec1=0Vでは・・・およそIb=125mAと読めますので、同電圧時を2/3乗則で計算した140mA台に満たないのです。

なんでこんな事調べるのか・・・、正直言えば死蔵したタマが(新たに買ったタマでも同じことですが)製造者のデータシートなり定格・規格表どおりの性能を「持ってんの?」という心配性からです。ゼロバイアス時の特性曲線は、タマの能力を示す(高μのプラスグリッド管は当たらぬが)重要な要素だと思うのです。

ありていな動作条件?かど〜か解りませんが、ペア管が販売されてて思うのは、「ゼロバイアスの特性曲線」も同じ按配に揃ってるのでしょうか。ある程度の相関はありそうな気もしますが、ロードライン上のibmaxが1割違ってたら、最大出力はもっと差が出ますよねえ。

TEN?球の、バラエティに富んだ実態には参りました。「サンプルA・B」は電流暴走?とも言えん(通電・放置しても増加しなかった)が、ベツモノとしか思えん大電流球。同Cは良好。D球はゼロバイアス特性はRCA並みだが大電流球、バイアスが以上に深い。E球も類似NG。F球は論外・・・。

30年も放置して知った結果ですからボヤくしかない。目利きが甘かったと言われればその通りなのですが、なんだかな〜・・・。

さて、全10本の中で使える球は5本、その中でTEN?の生き残りが若干雑音を出す。ハム混じりにも見えるが、0.05〜0.1mV超の変動を伴う・・・ランダムNois。別アンプを通して聴いたら「ブー+ゴー+ジー+ブツブツ+ジリジリ+バサバサ+・・・」後半の4文字擬音が変動甚だしい。現状が維持されたら控え球としては“可”なんだが、先行きは不安だ。

ここで、OPTの5kΩ:8Ωの巻き数比、25:1(ラフ実測23:1だが)を考えると、2次の0.03mVでも1次側には0.75mV(見てないけど)出てる訳です。オーディオアナライザ・MAK-6630の各種フィルタはOFFの「500kHz・BW」測定ですが、400Hz・HPF測定で更に低下したのは、どこからか誘導ノイズが混入したのでしょうか。8Ω負荷のオシロ観測では“らしい”ものは見えませんが、MAKのモニタ出力波形にはハム混じりの“動くギザギザ”に見えました。特段のノイズ環境整備をしてませんからねえ。

RCAやTEN?がアレなので心配になってきました。秘蔵の6V6GT(T)pp用予備球もテスト。これは1990年代、首都圏在住時の掘り出し物。

東芝通信用 東芝通信用

空欄は随時埋めていきますが、時間がかかって先に進まない・・・。↑

東芝球のコンディションは良好そうで安堵しつつ、同時に複雑な気分です。調べた中では極めて標準動作例に近いのです。今のところRCA球を主役に考えておりますが、東芝との差は完成段階でどれだけ違いが現れるか気になります。TEN?生き残り球は控えだが、1本とはいかにも中途半端。

このページのトップへ


サブテーマ・・・1

20150210〜

いささか回り道実験です。こんなサブテーマを始めたら、いつ終わるか読めなくなりますが、道草食う芸風?。

6V6s(T)実験周波数特性 6V6(RCA)サンプル1を使用した、3結出力段のF特です。250V・50mA動作を得てから、後述する「45mA」にバイアス変更しました。クドイがこれもまだ3結の最適動作ではない。

0.125Wは小信号の部類ですが、8Hz〜50kHz(−3db)でした。更に小信号では下が9Hz台からとなって、多分OPT1次巻線のインダクタンス低下かと思います。

キッチリ100kHzまでは素直で・・・ソコから上は結構グチャグチャでした。

言い訳:0.45W云々は、信号源FG-274ではキリの良い2Vrms出力(0.5W/8Ω)が得られないのです。広帯域ブースターアンプの必要性を痛感しましたが、それはまた別の機会に。なお、2K〜4kHzの盛り上がりは、デジタルオシロ・DS-5102B(後述)計測上での“不慣れ”によるものと感じます。

6V6GTA(RCA)のデータシートでは、Eb=250V・Ib=49.5mA時の内部抵抗は1.96kΩとされていますが、サンプル球のコンディションや、実験の動作点が異なります。2kΩ以上は確実でしょうが、3kΩまでは高くない・・・なんとも大雑把な推測です。その仮定の下、出力管が推定のrp=2kΩですと、低域−3db落ちは5Hz前後と計算されます。同じく3kΩでは6.6Hz。入力部とCk他には充分な低域特性を与えていますが、結果は微妙な数値でして43Hの最大値って・・・ホントか?。しかし、同世代の他社競合製品よりデカイのは確か。

今までVP-7720ALMV-181A併用の周波数特性測定を、デジタルオシロDS-5102Bに置き換えてみました。「波形演算機能」で実効値を読んだのですが、案外使えるようです。DCカップリングでは当然?なんでしょうが、0.1Hzでも指示低下がありません。しかし時間はかかります。上は1MHzを超えると指示数値が減りますね。

1Hz 10Hz 1Hzと10Hzの波形と演算数値例です。

下・ch2が8Ω負荷(1kHz/1Vrms基準)出力波形で、既に歪んでおりますが“正しく”演算されてると・・・信じるしかない。

100Hz 1kHz 10kHz

お約束の3周波数方形波応答です。100kHz以上でのグチャグチャが10kHz波形のいびつさを生んだものと解釈します。

F-475 3次巻線 3次巻線も調べてみましたが、どなたかがお書きになったような広帯域性能ではありません。100kH近くの一部では若干良好・・・といった程度でした。更に上は、まあど〜したことでしょう。

正確な山谷はグラフから少々ずれており、実態は描ききってはいません。微細スイープの印象では+1〜2db加算した山、そして−1dbくらい深い谷がグラフの山谷付近に存在してます。
2次巻線出力とは別要素の山谷なんでしょうね。

2次8Ω負荷に1kHz・1Vrms時の3次巻線出力は1.48Vrmsほど、グラフでは重ねております。10k/1k受け2種を調べましたが、似たようなもの。負帰還抵抗値に1kΩを予定しているので、予備的調査です。

負帰還専用3次巻線付OPTは、タムラ製品の多くに見られます。他社でも散見されますが、設計者の意図・真意が知りたいな〜と思います。

2次巻線からの負帰還に対しての「安定性向上」云々が謳われていて、多分高域の位相回転が少ないという事なのでしょう。ここからは脳内持論ですが、「実負荷」が接続された2次巻線は帰還ループに含まれないと考えます。では1次:2次間の磁気的結合の要素についてはどうなんでしょうか。う〜ん、疑問点すら上手く表現できないのがもどかしい・・・。

タムラF-475は謎の多い製品で、1980年10月2日のカタログではインダクタンス値が記載されていません。1997年8月の「テクニカルレポート」で最大43Hとはぢめて知りました。この2者では、1次最大電流値が55mAと記されてましたが、近年のWEB情報では45mAに減ってます。製造業界で使われる“記載してある内容については、改良のため、予告なく一部を・・・” 云々を思い出します。

思い出しついでですが、「F−三桁」シリーズでは定損失も開示されていません。F-475の定損失測定や、概算事例を・・・実は存じ上げないのです。冒頭の添付グラフでは−1dbほどと読めますが、1997資料に「代表値」として巻線抵抗値が1次514Ω、2次8Ωタップが1.165Ωと記されているので計算しますと、約−1.9 0.96db(80%)にも及びます。歴史ある名器?だからか気にしつつも、どなたも言わなかったのかな?。

話がそれてしまいました・・・m(_ _)m ・・・

引き続き、6V6(RCA)サンプル1を使用した、3結出力段の歪み率特性です。

3結歪み率特性 オーディオアナライザ・MAK-6630の「大出力電圧10Vrms」頼みの測定です。最大出力までは届いておりませんが、主眼は別なので追求せず。

3結歪み率の周波数特性 0.125W出力一定を条件にしたので、帯域端では入力をADJし、ツラい数値が出る測定です。

同じく、3結出力段の出力インピーダンス特性です。

3結出力インピーダンス 電流注入法ですが、注入電流は一定ではございません。測定回路です。ここでもDS-5102Bで数値読み取りを試し、帯域端はなんだか胡散臭い気もしますので、やり方を変えるかも。

ン10kHz以上のro上昇は気になります。まるで安定化コイルが出力端に直列挿入されたかのように見えます。中低域はありていな感じですが、1kHzで約6ΩはかろうじてDF>1。3結とはいえ6V6サンプル球の内部抵抗が高いのか、F-475の巻線抵抗がバカにならぬのか・・・その両方か。

このページのトップへ


U-808とPMF-10WS・・・1

0150211〜

個人的にはシングルOPTの「基準モデル」と勝手に位置づけしている、平田電機タンゴのU-808。そして、比較サンプルとしては微妙かも知れない、ノグチPMF-10WSに置き換えた実験です。

こんな道草・・・

三種OPT比較 全て0db=1Vrms/8Ωです。一番デカいU-808が低域が一番貧弱とは・・・そして、若干だが
高域は優れている。

古いU-808のカタログには、多分信号源インピーダンス=Zpだろう各種グラフが載ってます。100mA流して5kΩ使用時の厳しい条件では10Hz時−10dbと読めますから、実験の条件では改善されていて頷ける特性だと考えます。300kHz付近の凹周波数が「着せ替えシングル」に使用した同型別個体に近く、バラつきが少ない印象(もっと沢山調べなきゃ?)です。

PMF-10WSは1次フルタップではないのにU-808より低域は良好で驚きます。しかし高域は・・・覚悟はしてたが・・・言葉を失います。
近年試したT-1200やらPS-102などの、ローコスト製品に共通した出来の印象。

なお、U-808・PMF-10WS共に1次Rdcは低く、F-475より10V以上低い供給電圧で、6V6(T)は同じ動作条件が得られました。

U-808測定でチョンボ 上のデータ取りの前に、U-808の1次・B-Pの“逆接続”をやらかしました。

PにEbbを、Bから6V6に繋いだのです。2者の違いは明らかで、帰還段数による極性変更は
カタログで指定の2次側でやるべき・・と実感しました。

PMF-10WS詳細 底意地の悪い測定。高域の凸凹を詳細に拾ってみました。

ソレとは別に、10k〜30kHzまでと30k〜45kHz間の傾斜の違いが気になります。T-1200でも
気になった奴でして、同様にアレを孕んでるかも。

Zp三種盛り合わせ 更に底意地の悪い測定Part2。OPT三種の1次インピーダンスの測定です。
測定回路はコチラ

F-475の高域インピーダンス低下は、冒頭の添付表より甚だしいが・・・ミスしたかな?。
U-808はカタログ記載グラフによく一致してて安心するし、3種中最良。
PMF-10WSは予感より穏やかでしたが、10k〜32kHz間に“丘”がある。

武末先生の記事・文献で学んだことなのですが、高域に向かってインピーダンスが上昇する領域は、巻線の漏洩インダクタンス主導の特性で、低下する領域は分布容量主導の特性だと。実際には高域上昇ののち、更に高域では分布容量が効いて来るので、インピーダンスカーブには山が出来上がると・・・。いや、出来上がり易いと言うべきかも知れません。

ベテラン諸氏の言い伝えでは、分布容量主導で、Zp上昇が見えない?のがタムラ・・・と聞きます。今回調べたF-475は典型的な例でしょうし、以前調べた同社F-2005も同様でした。U-808は・・・ピークが見えないので分布容量主導に見えますが、上手く中庸を狙って高域を延ばしてる・・・と仰るベテランも居られたような記憶。さて、PMF...は、これはもう漏洩インダクタンス主導が見えてるタイプ、と確認できました。自身の限られた経験の中ではいささか厄介なタイプで、高rp管と組んだ時の特性には極めて興味がそそられます。正直言えばアラ探し?。

6V6(T)での実験は以上です。次からは本題の多極管接続に移りますが、最大出力はともかく内部抵抗がヒトケタ以上高くなるのです。出力インピーダンスの増加は原理的な事ですが、ここまで文中でも「気にしない」事を述べております。しかしノイズや歪み、特にOPT絡みのF特に影響が大きいと予想します。ほンでまた道草食いそう・・・。

このページのトップへ

器が出来上がってるのでアッサリ完成させられると思いきや、余計なことに手を染めてしまい納まりません。このページも長くなりそうなので、分割しました。続きは「6V6シングル(2)」までお越しください。


6V6シングル(2)に進む
完了品へもどる
HOMEにもどる